Sửa trang

THÉP GÓC CHỮ V-L

5
0

"Thép hình chữ V-L" thực ra là hai loại thép khác nhau, bao gồm Thép hình chữ V và Thép hình chữ L (thép V lệch), cả hai đều là thép góc có mặt cắt tạo thành hình dạng tương ứng với chữ V và L trong bảng chữ cái Latin, ứng dụng rộng rãi trong xây dựng và công nghiệp nhờ khả năng chịu lực tốt. 

Mã giảm giá
Mã giảm 10% cho đơn hàng tối thiểu 15.000.000đ
BELUX10%
Xem chi tiết tất cả các khuyến mại
Lựa chọn
Lựa chọn
Số lượng
0
nội dung

1.Thép Hình Chữ V:

  • Hình dạng:

    Có mặt cắt hình chữ V, gồm hai cánh vuông góc và một đỉnh tam giác. 

  • Đặc điểm:

    • Độ cứng, độ bền và khả năng chịu lực tốt. 
    • Chống chịu tốt với các tác động của thời tiết, đặc biệt là loại mạ kẽm giúp chống ăn mòn. 
  • Ứng dụng:

    Khung chịu lực nhà tiền chế, kết cấu cầu đường, trụ điện cao thế, hàng rào, mái che, đóng tàu. 

2.Thép Hình Chữ L (Thép V Lệch):

  • Hình dạng:

    Hai cạnh vuông góc với nhau, giống như chữ "L" hoặc hình chữ V khi nhìn từ phía trên. 

  • Đặc điểm:

    • Có độ đàn hồi và khả năng chịu tải lớn hơn so với thép hình V thông thường. 
    • Khả năng liên kết cao, bền bỉ và dễ gia công. 
  • Ứng dụng:

    Các công trình chịu tải trọng lớn như cầu đường, khung sườn xe, bàn ghế, khung container, kệ kho. 

Điểm khác biệt:

  • Hình dạng:

    Thép chữ V có hai cạnh bằng nhau trong khi thép chữ L có hai cạnh không đều nhau. 

  • Ứng dụng:

    Mặc dù có nhiều điểm tương đồng, thép hình L thường được ưu tiên trong các ứng dụng chịu lực lớn và yêu cầu độ đàn hồi cao hơn.

3.Tiêu chuẩn thép hình chữ V-L

Các sản phẩm thép hình chữ V được đảm bảo đạt các tiêu chuẩn chất lượng cả trong nước và quốc tế. Cụ thể, các tiêu chuẩn thép hình chữ V bao gồm:

MÁC THÉP

A36,  SS400,  Q235B, S235JR,  GR.A và GR.B

TIÊU CHUẨN

TCVN ,EN10025-2, KD S3503, GB/T 700, A131, ASTM, JIS G3101

XUẤT XỨ

Việt Nam – Đài Loan – Thái Lan – Trung Quốc – Nhật Bản  – Hàn Quốc 

QUY CÁCH

Dày: 3.0mm – 24mm

Dài: 6000 – 12000mm

Đặc tính kỹ thuật

Mác thép

THÀNH PHẦN HÓA HỌC ( %)

.

C

tối đa

Si

tối đa

Mn

tối đa

P

tối đa

S

tối đa

Ni

tối đa

Cr

tối đa

cu

max

A36

0.27

0.15-0.40

1.20

0.040

0.050

   

0.20

SS400

     

0.050

0.050

     

Q235B

0.22

0.35

1.40

0.045

0.045

0.30

0.30

0.30

S235JR

0.22

0.55

1.60

0.050

0.050

     

GR.A

0.21

0.50

2.5XC

0.035

0.035

     

GR.B

0.21

0.35

0.80

0.035

0.035

     

Đặc tính cơ lý

Mác thép

ĐẶC TÍNH CƠ LÝ

.

Nhiệt độ (C)

YS

Mpa

TS

Mpa

%

_

A36

 

≥245

400-550

20

SS400

 

≥245

400-510

21

Q235B

 

≥235

370-500

26

S235JR

 

≥235

360-510

26

GR.A

20

≥235

400-520

22

GR.B

0

≥235

400-520

22

 

4.Bảng giá Thép hình V,L (SS400, SS540)  

Áp dụng từ: 12/06/2025

STT

Tên sản phẩm

Độ dài
(m)

Trọng
lượng
(kg)

Giá chưa VAT
(đ/kg)

Tổng giá
chưa VAT

Giá có VAT
(đ/kg)

Tổng giá
có VAT

1

Thép góc L 30 x 30 x 3 x 6000mm

6

8.16

13,682

111,645

15,050

122,808

2

Thép góc L 40 x 40 x 3 x 6000mm

6

11.1

13,682

151,870

15,050

167,055

3

Thép góc L 40 x 40 x 4 x 6000mm

6

14.52

13,682

198,663

15,050

218,526

4

Thép góc L 50 x 50 x 4 x 6000mm

6

18.3

13,682

250,381

15,050

275,415

5

Thép góc L 50 x 50 x 5 x 6000mm

6

22.62

13,682

309,487

15,050

340,431

6

Thép góc L 63 x 63 x 5 x 6000mm

6

28.86

13,682

394,863

15,050

434,343

7

Thép góc L 63 x 63 x 6 x 6000mm

6

34.32

13,682

469,566

15,050

516,516

8

Thép góc L 70 x 70 x 5 x 6000mm

6

32.28

13,682

441,655

15,050

485,814

9

Thép góc L 70 x 70 x 6 x 6000mm

6

38.34

13,682

524,568

15,050

577,017

10

Thép góc L 70 x 70 x 7 x 6000mm

6

44.34

13,682

606,660

15,050

667,317

11

Thép góc L 75 x 75 x 5 x 6000mm

6

34.56

13,682

472,850

15,050

520,128

12

Thép góc L 75 x 75 x 6 x 6000mm

6

41.34

13,682

565,614

15,050

622,167

13

Thép góc L 75 x 75 x 7 x 6000mm

6

47.76

13,682

653,452

15,050

718,788

14

Thép góc L 80 x 80 x 6 x 6000mm

6

44.16

13,682

604,197

15,050

664,608

15

Thép góc L 80 x 80 x 7 x 6000mm

6

51.06

13,682

698,603

15,050

768,453

16

Thép góc L 80 x 80 x 8 x 6000mm

6

57.9

13,682

792,188

15,050

871,395

17

Thép góc L 90 x 90 x 6 x 6000mm

6

49.98

13,682

683,826

15,050

752,199

18

Thép góc L 90 x 90 x 7 x 6000mm

6

57.84

13,682

791,367

15,050

870,492

19

Thép góc L 90 x 90 x 8 x 6000mm

6

65.4

13,682

894,803

15,050

984,270

20

Thép góc L 100 x 100 x 8 x 6000mm

6

73.2

13,682

1,001,522

15,050

1,101,660

21

Thép góc L 100 x 100 x 10 x 6000mm

6

90.6

13,682

1,239,589

15,050

1,363,530

22

Thép góc L 120 x 120 x 8 x 12000mm

12

176.4

15,308

2,700,331

16,839

2,970,400

23

Thép góc L 120 x 120 x 10 x 12000mm

12

219.12

15,308

3,354,289

16,839

3,689,762

24

Thép góc L 120 x 120 x 12 x 12000mm

12

259.2

15,308

3,967,834

16,839

4,364,669

25

Thép góc L 125 x 125 x 10 x 12000mm

12

229.2

15,308

3,508,594

16,839

3,859,499

26

Thép góc L 125 x 125 x 15 x 12000mm

12

355.2

15,308

5,437,402

16,839

5,981,213

27

Thép góc L 130 x 130 x 10 x 12000mm

12

237

15,308

3,627,996

16,839

3,990,843

28

Thép góc L 130 x 130 x 12 x 12000mm

12

280.8

15,308

4,298,486

16,839

4,728,391

29

Thép góc L 150 x 150 x 10 x 12000mm

9

274.8

15,308

4,206,638

16,839

4,627,357

30

Thép góc L 150 x 150 x 12 x 12000mm

9

327.6

15,308

5,014,901

16,839

5,516,456

31

Thép góc L 150 x 150 x 15 x 12000mm

12

405.6

15,308

6,208,925

16,839

6,829,898

32

Thép góc L 175 x 175 x 12 x 12000mm

12

381.6

15,308

5,841,533

16,839

6,425,762

33

Thép góc L 175 x 175 x 15 x 12000mm

12

472.8

15,308

7,237,622

16,839

7,961,479

34

Thép góc L 200 x 200 x 15 x 12000mm

12

543.6

15,308

8,321,429

16,839

9,153,680

35

Thép góc L 200 x 200 x 20 x 12000mm

12

716.4

15,308

10,966,651

16,839

12,063,460

36

Thép góc L 200 x 200 x 25 x 12000mm

12

888

15,308

13,593,504

16,839

14,953,032

5.Phân loại thép hình chữ V-L

Các loại thép hình chữ V được phân loại theo cách xử lý bề mặt:

Sắt V

Sản phẩm sắt V không được xử lý bề mặt và được giữ nguyên màu đen của phôi thép. Thép V đen thường có giá thành thấp, được sử dụng phổ biến trong xây dựng dân dụng, chế tạo đồ nội thất, làm khung và giá đỡ cho thiết bị.

Sắt V giữ nguyên màu của phôi thép nên có màu đen

Thép hình V inox

Thép hình V inox là sản phẩm được các chuyên gia trong ngành xây dựng đánh giá cao với những ưu điểm vượt trội về tính năng và tính tiện ích. Đặc biệt, sản phẩm này có khả năng chống ăn mòn cao, khả năng chịu nhiệt tốt, và dễ dàng gia công để tạo hình theo nhu cầu. Bề mặt của thép hình chữ V sáng bóng sẽ giúp việc vệ sinh chúng một cách dễ dàng hơn.

Quy cách sản phẩm thép hình chữ V inox thường gồm các thông số như sau:

  • Kích thước cạnh: từ 30 đến 300mm
  • Chiều dài: từ 6000 đến 12000mm
  • Độ dày: từ 1.5 đến 10mm

Thép hình chữ V inox được ứng dụng rộng rãi trong nhiều lĩnh vực, bao gồm:

  • Khung nhà xưởng
  • Cầu đường
  • Kết cấu nhà tiền chế
  • Cơ khí và chế tạo máy
  • Xây dựng dân dụng 

Thép V mạ kẽm điện phân

Thép hình V mạ kẽm điện phân là sản phẩm được phủ một lớp kẽm mỏng có độ dày từ 20 đến 30 μm. Bề mặt của sản phẩm được mạ kẽm điện phân có đặc điểm là sáng bóng và mịn hơn so với việc sử dụng phương pháp mạ kẽm nhúng nóng.

Thép hình chữ V mạ kẽm điện phân là sản phẩm được phủ một lớp kẽm mỏng có độ dày từ 20 đến 30 μm

Thép V mạ kẽm nhúng nóng

Thép hình V mạ kẽm nhúng nóng là sản phẩm có lớp mạ kẽm dày từ 70 đến 90 μm. Lớp mạ kẽm này được phủ trên toàn bộ bề mặt của sản phẩm, tạo ra một lớp bảo vệ chống lại quá trình ăn mòn do tác động của các yếu tố oxi hóa.

Thép hình V lỗ

Thép hình V lỗ, còn được gọi là thép V lỗ đa năng, là sản phẩm có nhiều lỗ trên bề mặt, được sử dụng rộng rãi trong việc lắp ráp các loại kệ như kệ sách, kệ hồ sơ, kệ siêu thị, kệ chứa hàng hóa và nhiều ứng dụng khác.

Các lỗ trên sản phẩm được đúc đồng đều, tạo ra độ chính xác cao, giúp việc lắp ráp dễ dàng. Sản phẩm có độ dày và kích thước cạnh sắt V đều và chính xác theo quy định.

Thông tin về kích thước thông dụng của thép V lỗ bao gồm:

  • Chiều dài: 2m, 2m4, 3m
  • Độ dày: 1.5ly, 1.8ly, 2ly

Quá trình sản xuất thép V lỗ đa năng thường bao gồm các công đoạn sau:

  • Cắt băng: Cắt băng thép hình chữ V được cắt theo quy cách đã được định sẵn.
  • Dập lỗ: Các lỗ được dập đều trên toàn bộ thanh thép V.
  • Chấn thành hình V.
  • Tẩy rỉ: Làm sạch và loại bỏ đi những tạp chất còn lại trên bề mặt thép hình chữ V.
  • Sơn tĩnh điện.

Các kích thước thông dụng của thép V lỗ gồm: V 30 x 30, V 40 x 40, V 30 x 50, V 40 x 60, V 40 x 80.

6.Quy cách thép hình chữ V

Quy cách của sản phẩm thép hình chữ V bao gồm một số tiêu chí quan trọng và mang tính đặc trưng cho sản phẩm thép hình chữ V gồm các thông số như kích thước thép hình V, khối lượng, độ dày của thép cùng các đặc tính hình học khác.

6.1Chiều dài của cây thép V

Đối với chiều dài của cây thép V, theo tiêu chuẩn của TCVN, một cây thép V có thể có các chiều dài sau: 6, 7, 8, 9, 10, 11, 12, 13, 14, 15 (m). Trong thực tế, các sản phẩm thông dụng thường có chiều dài 6m và 12m như sau:

  • Các loại thép V từ V2 đến V8 thường có chiều dài 6m.
  • Các loại thép V từ V8 trở lên thường có chiều dài 12m.

Các sản phẩm thép hình chữ V có kích thước riêng hoặc nằm ngoài so với những tiêu chuẩn quy định sẵn có thể được thực hiện sản xuất dựa theo thỏa thuận riêng được lập hợp đồng giữa bên mua và nhà sản xuất. Đối với một số sản phẩm sắt V không được sản xuất trong nước, có thể cần phải nhập khẩu từ các quốc gia khác.

6.2Trọng lượng, kích thước của thép hình chữ V 

Các thông số cụ thể của thép hình chữ V

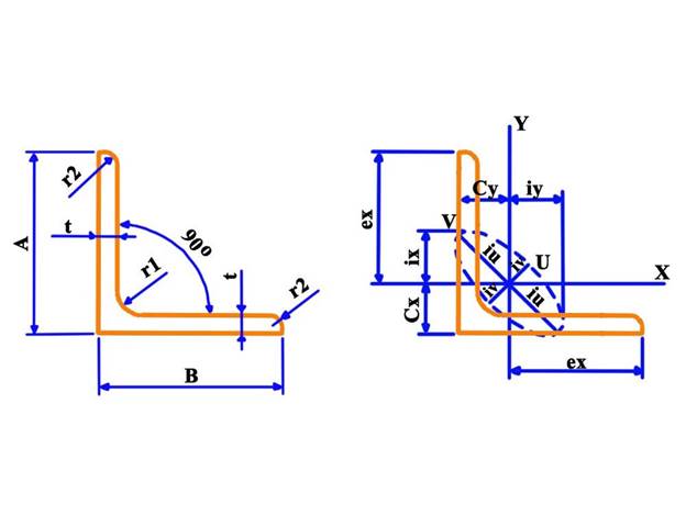
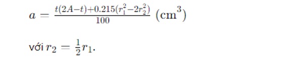
  • A và B: Đây là độ rộng của các cạnh của thép V, trong đó A = B. 
  • t: Đây là độ dày của cạnh của thép V. 
  • r1 và r2: Đây là bán kính của các góc lượn trong và lượn ngoài của thép V. 
  • Cx và Cy: Đây là khoảng cách từ trọng tâm của mặt cắt đến các cạnh của thép V.
  • ix và iy: Đây là bán kính quán tính của mặt cắt theo hai trục x và y.

Cách tính trọng lượng thép hình V

Để tính trọng lượng trên 1m dài của cây thép hình V, ta sử dụng công thức sau:

P(kg/m)=0.785×Diện tích mặt cắt ngang

Trong đó, diện tích mặt cắt ngang (a) được tính bằng công thức:

Công thức được dùng để tính diện tích mặt cắt ngang của thép hình chữ V 

Ví dụ: để tính trọng lượng trên 1m dài của thép V 50x50x4, ta thay các giá trị vào công thức:

=0.785×3.892675=3.055749875 (kg/m)

Do đó, trọng lượng trên 1m dài của thép V 50x 50x 4 là khoảng 3.06 kg. Dưới đây là bảng trọng lượng thép hình V cơ bản bạn có thể tham khảo mà không cần tính toán.

7.Bảng tra thép hình chữ V – Trọng lượng, Quy cách

Số TT

Mô Tả Quy Cách Sản Phẩm

Chiều dài

kg/m

kg/cây

1

V 25x 25x 2,5ly

6

0.92

5.5

2

V 25x 25x 3ly

6

1.12

6.7

3

V 30x 30x 2.0ly

6

0.83

5.0

4

V 30x 30x 2,5ly

6

0.92

5.5

5

V 30x 30x 3ly

6

1.25

7.5

6

V 30x 30x 3ly

6

1.36

8.2

7

V 40x 40x 2ly

6

1.25

7.5

8

V 40x 40x 2,5ly

6

1.42

8.5

9

V 40x 40x 3ly

6

1.67

10.0

10

V 40x 40x 3.5ly

6

1.92

11.5

11

V 40x 40x 4ly

6

2.08

12.5

12

V 40x 40x 5ly

6

2.95

17.7

13

V 45x 45x 4ly

6

2.74

16.4

14

V 45x 45x 5ly

6

3.38

20.3

15

V 50x 50x 3ly

6

2.17

13.0

16

V 50x 50x 3,5ly

6

2.50

15.0

17

V 50x 50x 4ly

6

2.83

17.0

18

V 50x 50x 4,5ly

6

3.17

19.0

19

V 50x 50x 5ly

6

3.67

22.0

20

V 60x 60x 4ly

6

3.68

22.1

21

V 60x 60x 5ly

6

4.55

27.3

22

V 60x 60x 6ly

6

5.37

32.2

23

V 63x 63x 4ly

6

3.58

21.5

24

V 63x 63x 5ly

6

4.50

27.0

25

V 63x 63x 6ly

6

4.75

28.5

26

V 65x 65x 5ly

6

5.00

30.0

27

V 65x 65x 6ly

6

5.91

35.5

28

V 65x 65x 8ly

6

7.66

46.0

29

V 70x 70x 5.0ly

6

5.17

31.0

30

V 70x 70x 6.0ly

6

6.83

41.0

31

V 70x 70x 7ly

6

7.38

44.3

32

V 75x 75x 4.0ly

6

5.25

31.5

33

V 75x 75x 5.0ly

6

5.67

34.0

34

V 75x 75x 6.0ly

6

6.25

37.5

35

V 75x 75x 7.0ly

6

6.83

41.0

36

V 75x 75x 8.0ly

6

8.67

52.0

37

V 75x 75x 9ly

6

9.96

59.8

38

V 75x 75x 12ly

6

13.00

78.0

39

V 80x 80x 6.0ly

6

6.83

41.0

40

V 80x 80x 7.0ly

6

8.00

48.0

41

V 80x 80x 8.0ly

6

9.50

57.0

42

V 90x 90x 6ly

6

8.28

49.7

43

V 90x 90x 7,0ly

6

9.50

57.0

44

V 90x 90x 8,0ly

6

12.00

72.0

45

V 90x 90x 9ly

6

12.10

72.6

46

V 90x 90x 10ly

6

13.30

79.8

47

V 90x 90x 13ly

6

17.00

102.0

48

V 100x 100x 7ly

6

10.48

62.9

49

V 100x 100x 8,0ly

6

12.00

72.0

50

V 100x 100x 9,0ly

6

13.00

78.0

51

V 100x 100x 10,0ly

6

15.00

90.0

52

V 100x 100x 12ly

6

10.67

64.0

53

V 100x 100x 13ly

6

19.10

114.6

54

V 120x 120x 8ly

6

14.70

88.2

55

V 120x 120x 10ly

6

18.17

109.0

56

V 120x 120x 12ly

6

21.67

130.0

57

V 120x 120x 15ly

6

21.60

129.6

58

V 120x 120x 18ly

6

26.70

160.2

59

V 130x 130x 9ly

6

17.90

107.4

60

V 130x 130x 10ly

6

19.17

115.0

61

V 130x 130x 12ly

6

23.50

141.0

62

V 130x 130x 15ly

6

28.80

172.8

63

V 150x 150x 10ly

6

22.92

137.5

64

V 150x 150x 12ly

6

27.17

163.0

65

V 150x 150x 15ly

6

33.58

201.5

66

V 150x 150x 18ly

6

39.8

238.8

67

V 150x 150x 19ly

6

41.9

251.4

68

V 150x 150x 20ly

6

44

264

69

V 175x 175x 12ly

6

31.8

190.8

70

V 175x 175x 15ly

6

39.4

236.4

71

V 200x 200x 15ly

6

45.3

271.8

72

V 200x 200x 16ly

6

48.2

289.2

73

V 200x 200x 18ly

6

54

324

74

V 200x 200x 20ly

6

59.7

358.2

75

V 200x 200x 24ly

6

70.8

424.8

76

V 200x 200x 25ly

6

73.6

441.6

77

V 200x 200x 26ly

6

76.3

457.8

78

V 250x 250x 25ly

6

93.7

562.2

79

V 250x 250x 35ly

6

128

768

 

Đánh giá bài viết
0 Lượt đánh giá
Đánh giá bài viết
Quý khách vui lòng nhập thông tin đánh giá
Họ tên
Email
Nội dung
Đăng Ký Ngay
SẢN PHẨM KHÁC
Mã giảm giá
BELUX10%
Mã giảm 10% cho đơn hàng
tối thiểu 15.000.000đ
HÌNH ẢNH THÉP ĐƯỢC PHÂN PHỐI NHIỀU
Với hơn 15 năm chuyên cung cấp các sản phẩm thép xây dựng, thép hình uy tín chúng tôi cam kết làm hài lòng mọi nhu cầu của quý khách hàng
























TIÊU CHUẨN CHẤT LƯỢNG
Xem tất cả
Sự tín nhiệm và tin tưởng của khách hàng và các nhà tiêu thụ sản phẩm trong thời gian qua là những gì lớn nhất mà chúng tôi đã có. Cảm ơn sự đồng hành của tất cả khách hàng. Duy Linh sẽ nỗ lực hơn nữa để phục vụ khách hàng 1 cách tốt nhất
ĐĂNG KÝ TƯ VẤN NGAY
*
Thép xây dựngThép hìnhThép tấmThép hộpThép tròn chế tạoThép rayThép vuông đặcThép lướiTôn lợpThép buộc
ĐĂNG KÝ TƯ VẤN NGAY
KHÁCH HÀNG NÓI VỀ THÉP DUY LINH
Cảm ơn sự đồng hành của tất cả khách hàng. Duy Linh sẽ nỗ lực hơn nữa để phục vụ khách hàng 1 cách tốt nhất